sqd-sistema-de-questoes-discursivas-fundo-escuro-250
Busca por enunciado
Matéria
Banca
Área
Órgão
Ano
Linhas
Q90656 | Engenharia Civil e Auditoria de Obras
Banca: FUNCERNVer cursos
Ano: 2013
Órgao: CAERN - Companhia de Águas e Esgotos do Rio Grande do Norte

A-+=
Salvar em caderno (0)
Faça login para salvar Fechar
Meus Cadernos

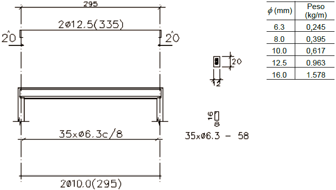
Analise o croqui da viga a seguir.
 
 
Com base nos dados contidos no croqui, preencha o quadro de armadura a seguir
 
Quadro de armadura
loader-icon

Ops! Esta questão ainda não tem padrão de resposta.

Este campo é para fins de validação e não deve ser alterado.
Quer ver esse conteúdo aqui? Vote abaixo.
Este campo fica oculto ao visualizar o formulário
Este campo fica oculto ao visualizar o formulário
Este campo fica oculto ao visualizar o formulário
Este campo fica oculto ao visualizar o formulário
Este campo fica oculto ao visualizar o formulário

Ops! Esta questão ainda não tem resolução em texto.

Este campo é para fins de validação e não deve ser alterado.
Quer ver esse conteúdo aqui? Vote abaixo.
Este campo fica oculto ao visualizar o formulário
Este campo fica oculto ao visualizar o formulário
Este campo fica oculto ao visualizar o formulário
Este campo fica oculto ao visualizar o formulário
Este campo fica oculto ao visualizar o formulário

Carregando…

Ops! Esta questão ainda não tem resolução em vídeo.

Este campo é para fins de validação e não deve ser alterado.
Quer ver esse conteúdo aqui? Vote abaixo.
Este campo fica oculto ao visualizar o formulário
Este campo fica oculto ao visualizar o formulário
Este campo fica oculto ao visualizar o formulário
Este campo fica oculto ao visualizar o formulário
Este campo fica oculto ao visualizar o formulário

Conteúdo exclusivo para alunos da Academia de Discursivas ou assinantes do Sistema de Questões Discursivas.
  • Este formulário é para reportar erros nesta questão discursivas. Caso tenha dúvidas ou precise de ajuda, clique aqui para ver nossos canais de contato.
  • Este campo fica oculto ao visualizar o formulário
  • Opcional

Questões Relacionadas

Nenhuma questão encontrada com os critérios informados.

Espaço de Discussão

Converse com outros usuários do SQD

Acompanhar
Notificar
0 Comentários
Antigos
Recentes Votados
Inline Feedbacks
Ver todos comentários