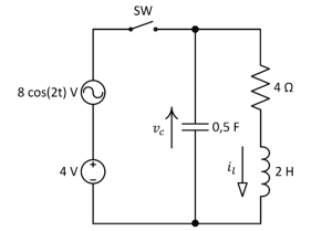
Suponha que, no circuito abaixo apresentado, a chave SW permaneceu muito tempo FECHADA até que, no instante 𝑡 = 0, ela foi ABERTA.

1. Calcule os valores da tensão no capacitor (𝒗𝒄) e da corrente no indutor (𝒊𝒍) no momento imediatamente antes da chave ser aberta.
2. Indique se a tensão no capacitor e a corrente no indutor podem variar instantaneamente na mudança do estado da chave, ou seja, se os seus valores imediatamente antes da chave ser aberta e imediatamente depois da chave ser aberta podem ser diferentes. Justifique.
3. Apresente a Equação Diferencial Ordinária (EDO) que exprime a tensão no capacitor após a chave SW ser aberta (𝒕 > 𝟎).
4. Calcule a tensão no capacitor em função do tempo após a chave ser aberta (𝒗𝒄(𝒕), para 𝒕 > 𝟎).
CONTEÚDO EXCLUSIVO
Confira nossos planos especiais de assinatura e desbloqueie agora!
CONTEÚDO EXCLUSIVO
Confira nossos planos especiais de assinatura e desbloqueie agora!
Ops! Esta questão ainda não tem resolução em vídeo.
Questões Relacionadas
O projeto de uma instalação elétrica em um Estabelecimento Assistencial de Saúde – EAS é pautado em dois aspectos importantes: a classificação dos ambientes por grupos e as classes da energia de segurança.
Indique:
a) critérios para a classificação dos ambientes em cada grupo.
b) critérios para a definição das classes da energia de segurança.
c) a relação entre os grupos e as classes da energia de segurança.
d) os esquemas de aterramento utilizados em cada grupo em que se encontra a instalação.
O sistema elétrico da figura abaixo é composto por um gerador, dois transformadores e uma linha de transmissão, alimentando uma carga. Nos terminais do gerador desse sistema, ocorre um curto-circuito trifásico simétrico. Nas condições de pré-falta, a tensão no barramento da carga e a potência de operação são, respectivamente, iguais a 15 kV e 30 MVA com fator de potência de 0,866 indutivo.

Pede-se:
a. Tensão, em p.u., na carga.
b. Potência, em p.u., na carga.
c. Corrente de base na carga.
d. Corrente, em p.u., na carga.
e. Corrente, em ampères, na carga.
f. Mudança de base do transformador T2.
g. Reatância, em p.u., da linha de transmissão.
h. Diagrama de Impedância do sistema.
i. Tensão no…
Um analista do setor energético deseja estimar o custo de construção de uma linha de transmissão (LT) hipotética, em milhões de reais, em função do comprimento da linha, em quilômetros.
Com base nos dados históricos de 12 construções de linha de transmissão realizadas anteriormente, fez-se uma Análise de Regressão Simples nos dados e foram obtidos os seguintes resultados:

a) Calcule o custo estimado para uma linha de transmissão de 120km de comprimento.
b) Determine o coeficiente de explicação (determinação) R2 do modelo.
c) Avalie se, ao nível de significância de 1%, o modelo estimado para o custo é adequado. Justifique sua resposta.



