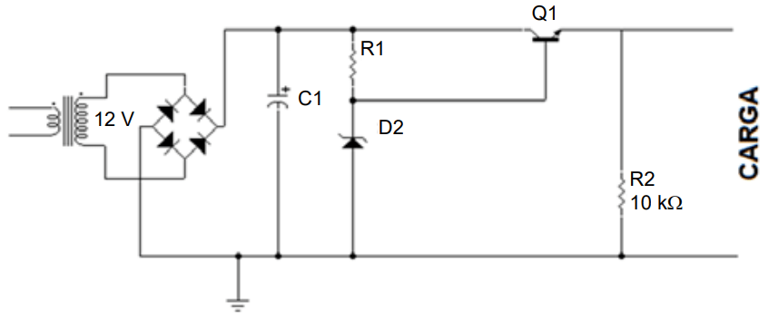
Considere o circuito abaixo, que apresenta uma fonte de alimentação CC, com saída 12 V.

a) DETERMINE o valor aproximado da tensão que se espera medir no capacitor C1.
b) DETERMINE o valor aproximado da tensão que se espera medir no diodo zener.
c) EXPLIQUE, para uma mesma condição de carga, qual a consequência para o diodo zener, caso a tensão de entrada aumente.
d) DESCREVA a que conclusão se chega caso o valor da tensão medida no coletor de Q1 for 20 V e o valor da tensão medida no emissor de Q1 for 0 V.
e ) EXPLIQUE, para uma mesma condição de carga, qual a consequência para Q1, caso a tensão de entrada aumente.
Ops! Esta questão ainda não tem padrão de resposta.
Ops! Esta questão ainda não tem resolução em texto.
Ops! Esta questão ainda não tem resolução em vídeo.




