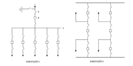
Deve ser escolhido um esquema para uma subestação que alimentará uma carga crítica, que necessita de alta confiabilidade no fornecimento de energia. Foram apresentadas ao engenheiro eletricista as duas opções mostradas a seguir.

A partir da situação hipotética apresentada, redija um texto dissertativo acerca da melhor solução entre as duas possibilidades fornecidas. Ao elaborar seu texto ao que se pede a seguir.
1. Identifique os tipos de subestação apresentados e indique o que melhor se adéqua à finalidade apresentada. [valor: 9,00 pontos]
2. Apresente três vantagens e três desvantagens de cada um dos tipos de subestação apresentados. [valor: 12,00 pontos]
3. Descreva os modos de instalação dos equipamentos da subestação em relação ao meio ambiente. [valor: 1,50 ponto]
4. Identifique os equipamentos indicados pelas letras A, B e C na figura e descreva a função de cada um deles na operação da subestação. [valor: 6,00 pontos]
CONTEÚDO EXCLUSIVO
Confira nossos planos especiais de assinatura e desbloqueie agora!
Ops! Esta questão ainda não tem resolução em texto.
Ops! Esta questão ainda não tem resolução em vídeo.
Questões Relacionadas
Um motor de indução trifásico com rotor em gaiola de esquilo será utilizado em uma instalação elétrica cuja tensão nominal de linha é de 380 V. Esse motor dispõe de dois enrolamentos por fase, que podem ser ligados em série ou em paralelo; todos os seis terminais disponíveis para conexão externa; e tensão nominal de 220 V por enrolamento.
Com base nas informações apresentadas acima, redija um texto dissertativo a respeito dos seguintes aspectos relativos ao motor em questão:
1 conexão adequada do motor para operação normal; [valor: 5,00 pontos]
2 possibilidade de partida por meio de chave estrela-triângulo; [valor: 6,00 pontos]
3 relação entre os valores da corrente de linha e do conjugado e…
Em certa atividade relacionada a sistemas de medição e controle elétrico, um engenheiro eletricista necessita propor uma solução para realizar um processamento analógico específico, visando à modificação e ao armazenamento de um sinal elétrico com as características específicas. O sinal de origem é não periódico e possui componentes em frequência entre 0 Hz e 1 kHz. A amplitude desse sinal varia entre 0 V e 1 V. Assim, por meio de circuitos elétricos com resistores, capacitores e, apenas se necessário, amplificadores operacionais, deseja-se
1 eliminar o nível DC e atenuar as frequências inferiores a 5 Hz;
2 atenuar significativamente as frequências superiores a 100 Hz;
3 amostrar o sinal res…

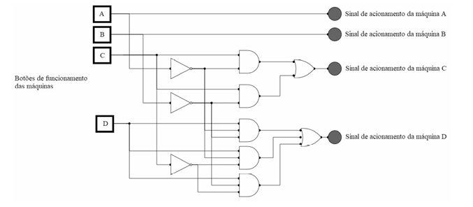
Uma indústria possui quatro máquinas de alta potência (A, B, C e D), mas apenas duas delas podem funcionar simultaneamente. O circuito digital representado a seguir faz o controle do funcionamento das máquinas, respeitando a prioridade de funcionamento entre as quatro máquinas.
A máquina A tem prioridade sobre as máquinas B, C e D. A máquina B tem prioridade sobre as máquinas C e D. A máquina C tem prioridade sobre a máquina D.
Além das portas lógicas, o circuito é composto por botões que ligam ou desligam as máquinas, e a saída do circuito digital indica se cada máquina vai funcionar, ou não, após o botão de ligar ou desligar ser acionado. No diagrama exposto, os menores círculos e semicír…



